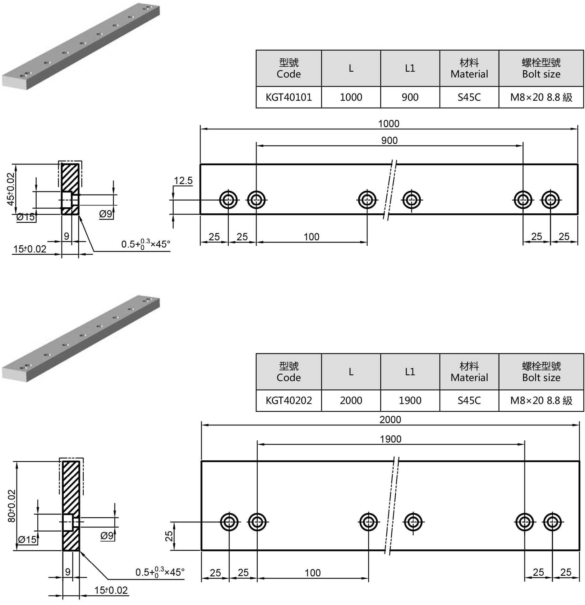
40型重载扁导轨
40 Guideway Flat Rail

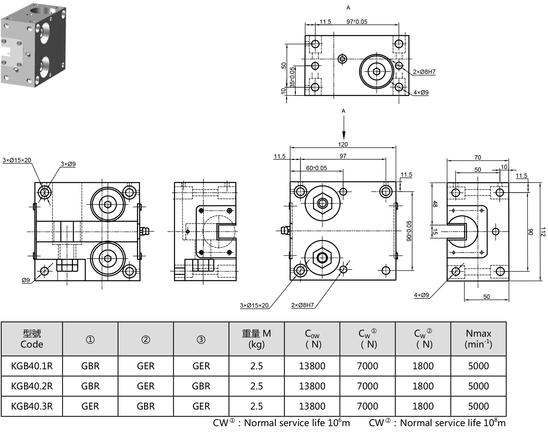
40型滚轮支座(左侧支座)
Roller Support (Left Hand Version)

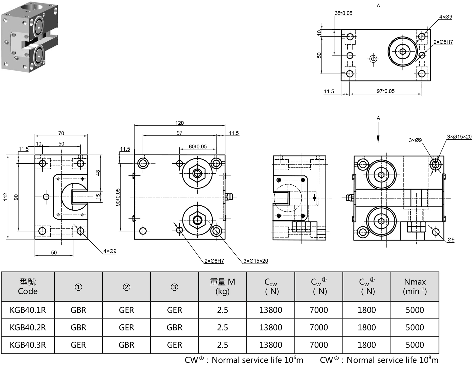
40型滚轮支座(右侧支座)
Roller Support (Right Hand Version)

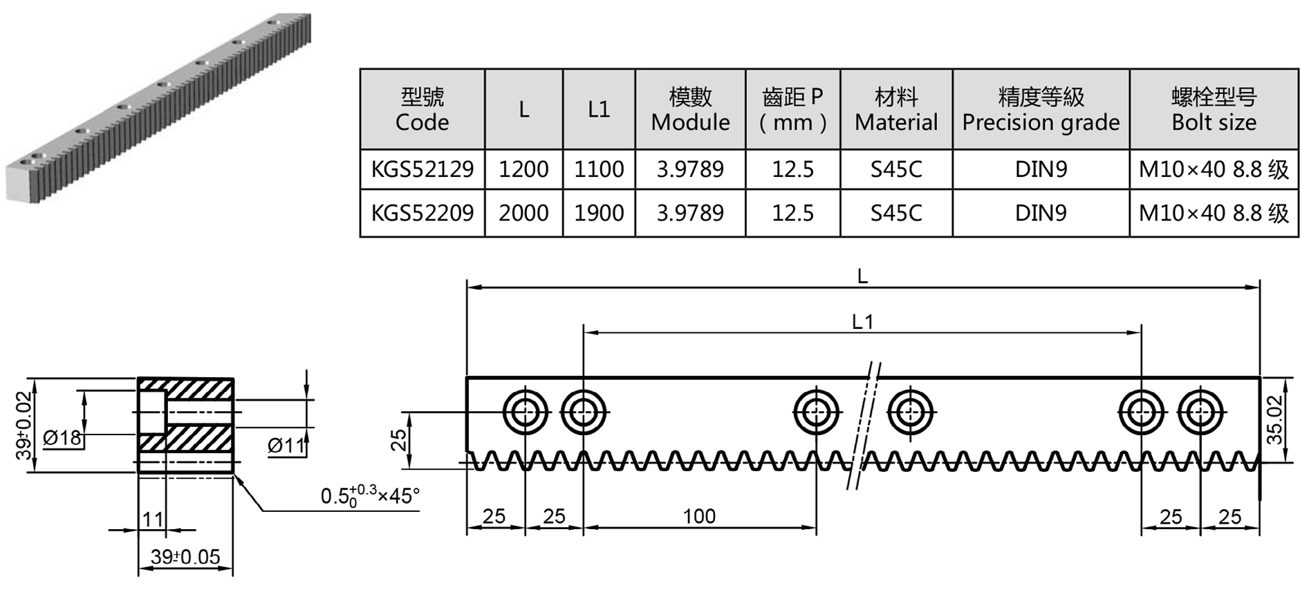
齿条
Rack

齿轮
Drive Pinion



