FS...MT导轨
钢制导轨,表面喷砂

FS...M导轨
钢制导轨,表面精磨
可以提供不锈钢型号 


FSH...MT,FSX...MT导轨
钢制导轨,表面喷砂

FSH...M,FSX...M导轨
钢制导轨,表面精磨

FSHZ,FSXZ齿条导轨
一体化钢制齿条导轨

PZ...齿轮

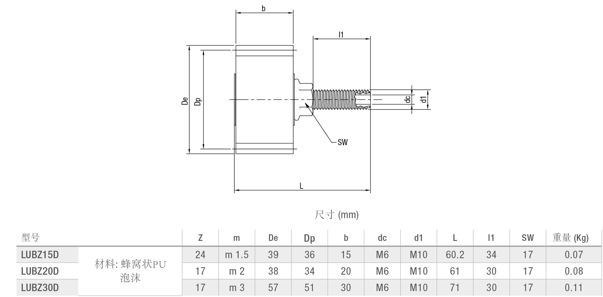
LUBZ...润滑齿轮

FR...EU滚轮
内部为双列滚珠轴承
接触面带有轻微的弧度
接触面带有轻微的弧度

FR...EU AS,FR...EU AZ滚轮
内部为双列滚珠轴承

FRN...EI滚轮
内部为滚针轴承
接触面带轻微弧度
接触面带轻微弧度
可以提供不锈钢型号 


RKY...,RKX...滚轮
内部为圆锥滚子轴承
滚轮接触面带弧度R=400
滚轮接触面带弧度R=400
可以提供不锈钢型号 


FKY...,FKX...滚轮
内部为圆锥滚子轴承
接触面带有弧度
接触面带有弧度
可以提供不锈钢型号 


FRL...EU浮动滚轮
内部为双列滚珠轴承
接触面带轻微弧度
接触面带轻微弧度
可以提供不锈钢型号 


RKXL,RKYL浮动滚轮
内部为圆锥滚子轴承
可以提供不锈钢型号 


FS和FSH安装垫块

LUBY润滑块
(40及40以下滚轮直径)

LUBY,LUBX润滑块
针对滚轮直径为52或以上

滚轮选型匹配
FR...EU,FR...EU AS,FR...EU AZ,FRN...EI,RKY,RKX,FKY,FRL...EU,RKXL,RKYL滚轮









